
1.应用场景
4-20mA电流信号是工业领域进行模拟量传输领域使用最多的模拟量。由于PLC及DCS系统的模拟量采集单元绝大部分是没有电气隔离设计的,现场的电磁干扰、雷击等浪涌能量很容易进入PLC及DCS系统,造成采集不稳定、设备损坏。信号隔离器专门应对这种情况设计,解决现场干扰及雷击损坏的问题。随着工业物联网的发展,现场信号进入云端的需求逐渐增多。信号分配器主要针对已有设计的改造,将接入PLC及DCS的模拟量信号一分为多,在不影响已有设计的基础上,为信号上云提供简洁可靠的解决方案。在新的设计中信号分配器的使用也不失为一种简洁快速的解决方案。
2.简介
EC-4001是带配电输出的隔离器分配器系列产品,该系列产品采用DC24V供电,为现场的变送器提供隔离的配电电源,同时将变送器产生的电流信号从现场隔离传送到控制室、PLC、DCS等。输入端接口可电流源、二线制、三线制变送器通用;内部采用高线的词典隔离技术,输入、输出、电源之间相互隔离,具有高精度、高线性度、低温漂等特点。
3.主要技术参数

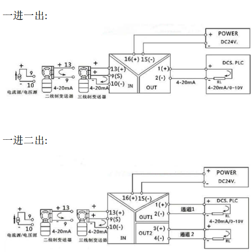
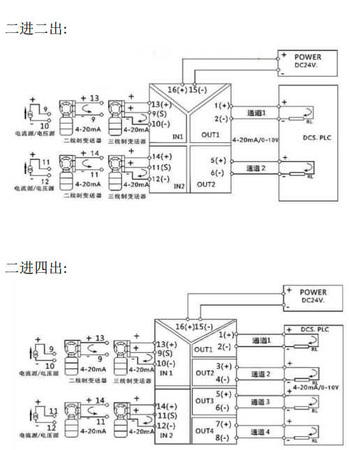
4.接线方式



5.外观尺寸

6.选型表

7.下载链接